Search
PRODUCTS
Transmission Electron Microscopes (TEM)
Scanning Electron Microscopes (SEM)
Microprobe (EPMA) and Auger
Sample Preparation Tools
Focused Ion Beam
Elemental Analysis
Correlative Microscopy Solutions
Mass Spectrometers
Nuclear Magnetic Resonance
Electron Spin Resonance
Photomask / Direct Write Lithography
Additive Manufacturing
Medical Equipment
Industrial Equipment
APPLICATIONS
Additive Manufacturing
Batteries
Ceramics
Chemistry
Drug Discovery
Energy
Environmental
Failure Analysis
Food / Plant / Pesticides
Forensics
Geology Solutions
Life Sciences
Materials Science
Nanotechnology
Pathology
Pharma NMR
Plastics/Polymer
Semiconductor
Application List by Product
Yokogushi (Cross-Platform Analysis)
RESOURCES
Electron Optics
Mass Spectrometry
Nuclear Magnetic Resonance
Photomask / Direct Write Lithography
Sample Preparation
Additive Manufacturing
Webinars and Videos
Posters
JEOL Periodic Table App
JEOL MS Calculator App
Scanning Electron Microscopy Basics
Transmission Electron Microscopy Basics
Mass Spectrometry Basics
NMR Basics
Financing
SERVICE / SUPPORT
JEOL USA Service & Support
Offered Services
Service Level Agreements
Environmental Remediation
Request Service
Parts Center
Instrument Training
NEWS & EVENTS
Blog
Press Releases
Events and Trade Shows
JEOL USA Image Contest
JEOL NEWS Magazine
JEOL Newsletters
REALab Customer Stories
ABOUT US
The Company
Milestones
Management Team
FAQ
Corporate Benefits
Current Career Opportunities
Submit Application
Social Governance Statement
CONTACT US
Contact Us
Find a Local Sales Rep
Direction to JEOL USA
Request Product Info
Find a Local Service Office
JEOL Regional Websites
PRODUCTS
Scanning Electron Microscopes (SEM)
HV/LV Tungsten/LaB6 SEMs
JSM-IT210
JSM-IT510
High-Res, Large-Chamber SEM
JSM-IT710HR
Benchtop
NeoScope Benchtop SEM
FE SEM
JSM-IT810
SEM-FIB
Elemental Analysis
miXcroscopy™
SMILE VIEW™ Map software
Neo Comfort FE-SEM Acoustic Enclosure
Transmission Electron Microscopes (TEM)
120 kV
JEM-120i
200 kV
NEOARM
Monochromated ARM200F
JEM-F200 F2
JEM-2100Plus
CRYO ARM™ 200
JEM-ACE200F
JEM-Z200MF
300 kV
JEM-ARM300F2
CRYO ARM™ 300 II
Analytical & Data Optimization
JEOL-IDES Products
Environmental Control Solutions
SightSKY CMOS Camera
SiN Window Chip
Stack N Viz software
XtaLAB Synergy-ED
Focused Ion Beam
CRYO-FIB-SEM
JIB-PS500i
Specimen Preparation System STEMPLING
Sample Preparation Tools
Cross Section Polisher
Vacuum Evaporator
Smart Coater
Carbon Coater
UV Cleaner
Auto Fine Coater
Ion Cleaner
Dry Pumping Multi Station
HD Treatment
Nuclear Magnetic Resonance
JNM-ECZL series FT NMR
Probes
ROYALPROBE
ROYALPROBE HFX
ROYALPROBE P+
SuperCOOL Probe
UltraCOOL Probe
Liquids/Solution State Probes
AutoMAS Solids Probe
HCN MAS and HXY NMR Probes
Solid State NMR Probes
NMR Probe Key Features and Applications
Delta NMR Software
CRAFT for Delta
NMR in pharma
qNMR
Magnets
Sample Changers
Cryogen Reclamation System
Electron Spin Resonance
JES-X330
JES-X320
JES-X310
Mass Spectrometers
AccuTOF DART
AccuTOF DART Technology
AccuTOF DART Ionization Mechanisms
AccuTOF Time-of-Flight Mass Analyzer
AccuTOF DART High-Resolution Accurate Mass
AccuTOF GC-Alpha
msFineAnalysis AI
AccuTOF GCxGC MS
AccuTOF LC-Express
GC/Single-Quadrupole Mass Spectrometer
NETZSCH And JEOL
msFineAnalysis iQ
GC/Triple-Quadrupole Mass Spectrometer
msFineAnalysis iQ
MALDI-TOFMS
SpiralTOF™-plus 3.0 Matrix-Assisted Laser Desorption/Ionization TOFMS
SpiralTOF™-plus 3.0 Polymer Analysis System
SpiralTOF™-plus 3.0 Mass Spectrometry Imaging System
msRepeatFinder Polymer Analysis Software
Microprobe (EPMA) and Auger
JXA-iHP200F
JXA-iSP100
JAMP-9510F
Soft X-Ray Emission Spectrometers
Photomask / Direct Write Lithography
Electron Beam Lithography
JBX-A9
JBX-8100FS
JBX-3050MV
Elemental Analysis
Embedded EDS for SEM
Gather-X Windowless EDS
Soft X-ray Emission Spectrometer
ElementEye JSX-1000S XRF
Correlative Microscopy Solutions
Additive Manufacturing 3D Printer
Medical Equipment
BioMajesty Series
JCA-6010/C
JCA-BM 6050
JCA-9130/C
JCA-BM 2250
JCA-BM 8000 Series
Industrial Equipment
High-Power Electron Beam Sources
Electron Beam Sources
BS-60050EBS Electron Beam Source
EB Source Power Supply
Plasma Source
Rotary Sensor
APPLICATIONS
Application List
Additive Manufacturing
Battery Materials
Ceramics
Chemistry
Energy
Failure Analysis
Food / Plant / Pesticides
Food
Forensics
Geology Solutions
Life Sciences
Materials Science
Nanotechnology
Pathology
Pesticides
Plant
Plastics/Polymer
Semiconductor
SEE MORE HERE
Application List By Product
SEM Applications
TEM Applications
NMR Applications
FIB Applications
Mass Spec Applications
Sample Prep Applications
REALab Customer Stories
Center for Biologic Imaging at University of Pittsburgh
Lake Superior State University
Yokogushi (Cross-Platform Analysis)
RESOURCES
Electron Optics
Documents & Downloads
Image Gallery
FAQs
Links & Resources
Videos
Scanning Electron Microscopy Basics
Analytical Instruments
Documents & Downloads
Walkup NMR
Reference Data
Tutorials (Mass Spec)
Tutorials (NMR)
No-D NMR
Non Uniform Sampling (NUS)
Mass Spectrometry Basics
NMR Basics
NMR Magnet Destruction
Photomask / Direct Write Lithography
Documents & Downloads
Sample Preparation
Documents & Downloads
Image Gallery
Additive Manufacturing
Webinars and Videos
Posters
JEOL Periodic Table App
JEOL MS Calculator App
Financing
SERVICE / SUPPORT
JEOL USA Service & Support
Request Service
Offered Services
Service Level Agreements
Instrument Training
SEM/TEM Training
NMR Training
Mass Spectrometry Training
Parts Center
Purchase
Request for Quotation
General Inquiry
NEWS & EVENTS
Blog
Press Releases
Events & Shows
JEOL USA Image Contest
2025 Entries & Winners
2024 Entries & Winners
2023 Entries & Winners
2022 Entries & Winners
2021 Entries & Winners
2020 Entries & Winners
2019 Entries & Winners
2018 Entries & Winners
2017 Entries & Winners
2016 Entries & Winners
2015 Entries & Winners
2014 Entries & Winners
NeoScope Image Contest
JEOL USA Image Contest Entry Form
JEOL NEWS Magazine
JEOL Newsletters
JEOLink Newsletter
Mass Media Newsletter
JEOLink NMR Newsletter
ABOUT US
The Company
Career Opportunities
Corporate Benefits
Current Career Opportunities
Submit Application
Milestones
Management Team
FAQs
CONTACT US
JEOL USA Headquarters
JEOL Regional Web Sites
Find a Local Sales Rep
Additive Manufacturing
EB Lithography (Direct Write)
Electron Microscopy
ESR, NMR, Mass Spectrometry
Find a Local Service Office
Electron Microscopy / EB Lithography
ESR, NMR, Mass Spectrometry Instruments Service
Request Product Info
Directions to JEOL USA
PRODUCTS
Scanning Electron Microscopes (SEM)
HV/LV Tungsten/LaB6 SEMs
JSM-IT210
JSM-IT510
High-Res, Large-Chamber SEM
JSM-IT710HR
Benchtop
NeoScope Benchtop SEM
FE SEM
JSM-IT810
SEM-FIB
Elemental Analysis
miXcroscopy™
SMILE VIEW™ Map software
Neo Comfort FE-SEM Acoustic Enclosure
Transmission Electron Microscopes (TEM)
120 kV
JEM-120i
200 kV
NEOARM
Monochromated ARM200F
JEM-F200 F2
JEM-2100Plus
CRYO ARM™ 200
JEM-ACE200F
JEM-Z200MF
300 kV
JEM-ARM300F2
CRYO ARM™ 300 II
Analytical & Data Optimization
JEOL-IDES Products
Environmental Control Solutions
SightSKY CMOS Camera
SiN Window Chip
Stack N Viz software
XtaLAB Synergy-ED
Focused Ion Beam
CRYO-FIB-SEM
JIB-PS500i
Specimen Preparation System STEMPLING
Sample Preparation Tools
Cross Section Polisher
Vacuum Evaporator
Smart Coater
Carbon Coater
UV Cleaner
Auto Fine Coater
Ion Cleaner
Dry Pumping Multi Station
HD Treatment
Nuclear Magnetic Resonance
JNM-ECZL series FT NMR
Probes
ROYALPROBE
ROYALPROBE HFX
ROYALPROBE P+
SuperCOOL Probe
UltraCOOL Probe
Liquids/Solution State Probes
AutoMAS Solids Probe
HCN MAS and HXY NMR Probes
Solid State NMR Probes
NMR Probe Key Features and Applications
Delta NMR Software
CRAFT for Delta
NMR in pharma
qNMR
Magnets
Sample Changers
Cryogen Reclamation System
Electron Spin Resonance
JES-X330
JES-X320
JES-X310
Mass Spectrometers
AccuTOF DART
AccuTOF DART Technology
AccuTOF DART Ionization Mechanisms
AccuTOF Time-of-Flight Mass Analyzer
AccuTOF DART High-Resolution Accurate Mass
AccuTOF GC-Alpha
msFineAnalysis AI
AccuTOF GCxGC MS
AccuTOF LC-Express
GC/Single-Quadrupole Mass Spectrometer
NETZSCH And JEOL
msFineAnalysis iQ
GC/Triple-Quadrupole Mass Spectrometer
msFineAnalysis iQ
MALDI-TOFMS
SpiralTOF™-plus 3.0 Matrix-Assisted Laser Desorption/Ionization TOFMS
SpiralTOF™-plus 3.0 Polymer Analysis System
SpiralTOF™-plus 3.0 Mass Spectrometry Imaging System
msRepeatFinder Polymer Analysis Software
Microprobe (EPMA) and Auger
JXA-iHP200F
JXA-iSP100
JAMP-9510F
Soft X-Ray Emission Spectrometers
Photomask / Direct Write Lithography
Electron Beam Lithography
JBX-A9
JBX-8100FS
JBX-3050MV
Elemental Analysis
Embedded EDS for SEM
Gather-X Windowless EDS
Soft X-ray Emission Spectrometer
ElementEye JSX-1000S XRF
Correlative Microscopy Solutions
Additive Manufacturing 3D Printer
Medical Equipment
BioMajesty Series
JCA-6010/C
JCA-BM 6050
JCA-9130/C
JCA-BM 2250
JCA-BM 8000 Series
Industrial Equipment
High-Power Electron Beam Sources
Electron Beam Sources
BS-60050EBS Electron Beam Source
EB Source Power Supply
Plasma Source
Rotary Sensor
APPLICATIONS
Application List
Additive Manufacturing
Battery Materials
Ceramics
Chemistry
Energy
Failure Analysis
Food / Plant / Pesticides
Food
Forensics
Geology Solutions
Life Sciences
Materials Science
Nanotechnology
Pathology
Pesticides
Plant
Plastics/Polymer
Semiconductor
SEE MORE HERE
Application List By Product
SEM Applications
TEM Applications
NMR Applications
FIB Applications
Mass Spec Applications
Sample Prep Applications
REALab Customer Stories
Center for Biologic Imaging at University of Pittsburgh
Lake Superior State University
Yokogushi (Cross-Platform Analysis)
RESOURCES
Electron Optics
Documents & Downloads
Image Gallery
FAQs
Links & Resources
Videos
Scanning Electron Microscopy Basics
Analytical Instruments
Documents & Downloads
Walkup NMR
Reference Data
Tutorials (Mass Spec)
Tutorials (NMR)
No-D NMR
Non Uniform Sampling (NUS)
Mass Spectrometry Basics
NMR Basics
NMR Magnet Destruction
Photomask / Direct Write Lithography
Documents & Downloads
Sample Preparation
Documents & Downloads
Image Gallery
Additive Manufacturing
Webinars and Videos
Posters
JEOL Periodic Table App
JEOL MS Calculator App
Financing
SERVICE / SUPPORT
JEOL USA Service & Support
Request Service
Offered Services
Service Level Agreements
Instrument Training
SEM/TEM Training
NMR Training
Mass Spectrometry Training
Parts Center
Purchase
Request for Quotation
General Inquiry
NEWS & EVENTS
Blog
Press Releases
Events & Shows
JEOL USA Image Contest
2025 Entries & Winners
2024 Entries & Winners
2023 Entries & Winners
2022 Entries & Winners
2021 Entries & Winners
2020 Entries & Winners
2019 Entries & Winners
2018 Entries & Winners
2017 Entries & Winners
2016 Entries & Winners
2015 Entries & Winners
2014 Entries & Winners
NeoScope Image Contest
JEOL USA Image Contest Entry Form
JEOL NEWS Magazine
JEOL Newsletters
JEOLink Newsletter
Mass Media Newsletter
JEOLink NMR Newsletter
ABOUT US
The Company
Career Opportunities
Corporate Benefits
Current Career Opportunities
Submit Application
Milestones
Management Team
FAQs
CONTACT US
JEOL USA Headquarters
JEOL Regional Web Sites
Find a Local Sales Rep
Additive Manufacturing
EB Lithography (Direct Write)
Electron Microscopy
ESR, NMR, Mass Spectrometry
Find a Local Service Office
Electron Microscopy / EB Lithography
ESR, NMR, Mass Spectrometry Instruments Service
Request Product Info
Directions to JEOL USA
APPLICATIONS
SpiralTOF MALDI Image of nicotine in a fingerprint
JEOL - a global leader in NMR since the inception of commercial NMR manufacturing
GC x GC / HRMS Analysis of diesel fuel
JEOL - world's fastest spinning speed for NMR
Previous
Next
JEOL Applications, Categories, and Case Studies for Today’s Electron Microscopy, Mass Spec, NMR, and AM Challenges
List by Application:
Additive Manufacturing
Empowering manufacturers with the tools to ensure reliability, performance, and quality in additive manufacturing.
Batteries
SEM, TEM, Sample Prep, and an air-isolated workflow for sensitive samples and Li detection. Analytical solutions from SXES to NMR.
Ceramics
Unlock the Answers to your Toughest Ceramics Questions
Chemistry
Learn more about how JEOL NMR and MS Solutions will support your science
Drug Discovery
Provide invaluable insights on the atomic interactions between a drug and its target
Energy
Integrating sub-nanometer resolution SEM and TEM imaging and analysis for Energy Exploration
Environmental
Accurately measure trace levels of pesticides, regulated chemicals, and pollutants.
Failure Analysis
Determine the causes of failure in a wide variety of materials.
Food/Plant/Pesticides
With a wide range of instruments used for polymer analysis and their applications, we introduce food analysis examples
Forensics
Eliminate backlogs with rapid analysis of drugs, trace evidence, explosives and more
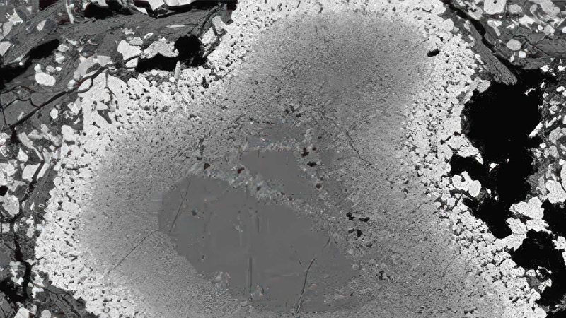
Geology Solutions
Microanalysis and high spatial resolution imaging of geological samples.
Life Sciences
Using the most powerful instruments available for imaging and analysis at the nanoscale
Materials Science
Obtain microstructural information and surface/bulk chemical analyses
Nanotechnology
Develop novel and significantly improved materials
Pathology
Electron microscopes are essential for "definite diagnosis."
Pharma NMR
NMR provides the high quality data that Pharma needs
Plastics / Polymer
Characterization of advanced molecules and the importance of multiple analyses that combine a variety of analytical methods.
Semiconductor
e-Beam and ion beam optics are designed for precise patterning and inspection
Natural Products / Food / Herbal
Ambient ionization lets you analyze samples in their native state
Petroleum
Powerful tools for analyzing truly complex mixtures
Protecting Wildlife and Forests
The JEOL AccuTOF™-DART® plays an important role in identifying illegally traded products for CITES compliance
Applications By Product:
SEM
Applications Using Scanning Electron Microsopy
TEM
Applications Using Transmission Electron Microscopy
Focused Ion Beam
FIB-SEM instruments for exceptional resolution, accuracy and throughput
NMR
Applications Using Nuclear Magnetic Resonance Spectroscopy
Mass Spec
Applications Using Mass Spectrometry
Sample Preparation Tools
High precision instruments designed to prepare samples prior to imaging with the SEM or TEM.
REALab Customer Stories
A spotlight on researcher's work using JEOL electron microscopy or JEOL analytical instruments, and how their scientific advances are impacting their field.
Albany Medical Center
American University
Arizona State University
Baylor University
Bergen County Academies
The Blue Man
Boston College
Brazilian Center for Physics Research
Center for Analysis of Biomedical Phenomena of the State University of Amazonas (CMABio)
Center for Biologic Imaging at University of Pittsburgh
Children's Hospital Colorado
EAG Laboratories - Eurofins Material Science
Eastern Michigan University
Emory University
Florida Atlantic University - High School Owls Imaging Lab
Hampton University
Harvard Medical School
The Haverford School – pre-K - 12 Boy’s School
Howard Hughes Medical Institute
Indiana University
Lake Superior State University
Lawrence Berkeley National Laboratory
Lehigh University - Masashi Watanabe
Geoscience Studies at LSU
Lichen Labs
Luiz de Queiroz College of Agriculture
McCrone Associates
Michigan State University Department of Medicine
Microtrace LLC
MVA Scientific Consultants
National Institute for Advanced Industrial Science
National Oceanic and Atmospheric Administration (NOAA)
Natl. University of Colombia
NINT
North Dakota State University
Northeastern Ohio Universities
Northwestern University Atomic and Nanoscale Characterization (NUANCE) Center
NUC Argentina
Pacific Northwest National Laboratory (PNNL)
Philadelphia Museum of Art
Rocky Mountain Labs
Rose-Hulman Institute of Technology
San Joaquin Delta College
Sandia National Labs
Sappi Fine Paper North America
Schepens Eye Research Institute
SUNY Albany
SUNY-ESF
Texas Christian University
Universidade Estadual Paulista (UNESP)
Universidade Federal Fluminense
Universidade Federal do Rio de Janeiro - Instituto de Biologia
Universidade Federal do Rio de Janeiro - Instituto de Geociências
University of Houston
University of Houston - NMR Spectroscopy
University of Illinois at Chicago
University of Massachusetts Lowell - Core Research Facility
University of Massachusetts Lowell - NMR Spectroscopy
University of New England
University of Pennsylvania
University of Puerto Rico
University of Puerto Rico, Mayaguez Campus
Universidad de la República - Uruguay
UQAR-ISMER
University of Texas Medical Branch
University of Texas at Dallas
Hello, Nano
U.S. Fish and Wildlife Forensic Lab
Bears and the Sad Case of Identifying Bile
Virginia Inst. of Marine Science
Albany Medical Center
American University
Arizona State University
Baylor University
Bergen County Academies
The Blue Man
Boston College
Brazilian Center for Physics Research
Center for Analysis of Biomedical Phenomena of the State University of Amazonas (CMABio)
Center for Biologic Imaging at University of Pittsburgh
Children's Hospital Colorado
EAG Laboratories - Eurofins Material Science
Eastern Michigan University
Emory University
Florida Atlantic University - High School Owls Imaging Lab
Hampton University
Harvard Medical School
The Haverford School – pre-K - 12 Boy’s School
Howard Hughes Medical Institute
Indiana University
Lake Superior State University
Lawrence Berkeley National Laboratory
Lehigh University - Masashi Watanabe
Geoscience Studies at LSU
Lichen Labs
Luiz de Queiroz College of Agriculture
McCrone Associates
Michigan State University Department of Medicine
Microtrace LLC
MVA Scientific Consultants
National Institute for Advanced Industrial Science
National Oceanic and Atmospheric Administration (NOAA)
Natl. University of Colombia
NINT
North Dakota State University
Northeastern Ohio Universities
Northwestern University Atomic and Nanoscale Characterization (NUANCE) Center
NUC Argentina
Pacific Northwest National Laboratory (PNNL)
Philadelphia Museum of Art
Rocky Mountain Labs
Rose-Hulman Institute of Technology
San Joaquin Delta College
Sandia National Labs
Sappi Fine Paper North America
Schepens Eye Research Institute
SUNY Albany
SUNY-ESF
Texas Christian University
Universidade Estadual Paulista (UNESP)
Universidade Federal Fluminense
Universidade Federal do Rio de Janeiro - Instituto de Biologia
Universidade Federal do Rio de Janeiro - Instituto de Geociências
University of Houston
University of Houston - NMR Spectroscopy
University of Illinois at Chicago
University of Massachusetts Lowell - Core Research Facility
University of Massachusetts Lowell - NMR Spectroscopy
University of New England
University of Pennsylvania
University of Puerto Rico
University of Puerto Rico, Mayaguez Campus
Universidad de la República - Uruguay
UQAR-ISMER
University of Texas Medical Branch
University of Texas at Dallas
Hello, Nano
U.S. Fish and Wildlife Forensic Lab
Bears and the Sad Case of Identifying Bile
Virginia Inst. of Marine Science
JEOL Product Guide
JEOL Product Guide:
Step into the World of JEOL
Download JEOL Product Guide
Sales
Service
Inquiry
JEOL USA Headquarters
Find a Local Sales Rep
Find a Local Service Office
Request Product Info
Request Service
Directions to JEOL USA
JEOL Regional Web Sites
Products
Applications
Resources
Service / Support
News & Events
About Us
Contact Us
JEOL USA, Inc.
11 Dearborn Road
Peabody, MA 01960
(978) 535-5900
Request Product Info
Login / My Account
Login / My Account
© Copyright 2025 by JEOL USA, Inc.
<
Contact your local
Sales Representative
to schedule a
virtual demo now (USA, Canada, Mexico, Brazil)
Find your local
Service Office
Need
Training
on your instrument?
Terms of Use
|
Privacy Policy
|
Cookie Preferences